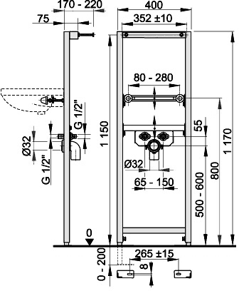
Concealed frame for wall hung basin. Size 1170 x 400 mm.
Product Code: FP-FRAME01
The Francis Pegler range of frames allows you to create a new bathroom without all the constraints of floor standing ceramics. These concealed frames are hidden within a solid or prefabricated wall. Pegler system frames can be used in the tightest of spaces, allowing you to create stunning bathrooms even with little space.
Pegler Yorkshire is well known and respected as one of the leading manufacturers of advanced plumbing, heating and engineering products in the world. Pegler products are designed to meet and pass all appropriate product specification and performance standards (e.g. British Standards).
